
Female-led Apheros has raised $1.85mn to tackle a pressing problem for the tech sector: the exponential energy consumption of data centres.
Data centres are the foundation of our digital infrastructure, housing the servers, data storage systems, and networking equipment necessary to power everything online.
They’re also critical for the development of emerging technologies, such as AI and high performance computing (HCP), which are driving up energy demand.
According to the International Energy Agency (IEA), data centres consumed 460 terawatt-hours (TWh) of electricity in 2022. In 2026, this number could reach over 1,000TWh — which is roughly equivalent to the electricity consumption of Japan.
Cooling is one of the most energy-intensive processes within data centres — and this is where Apheros comes in.
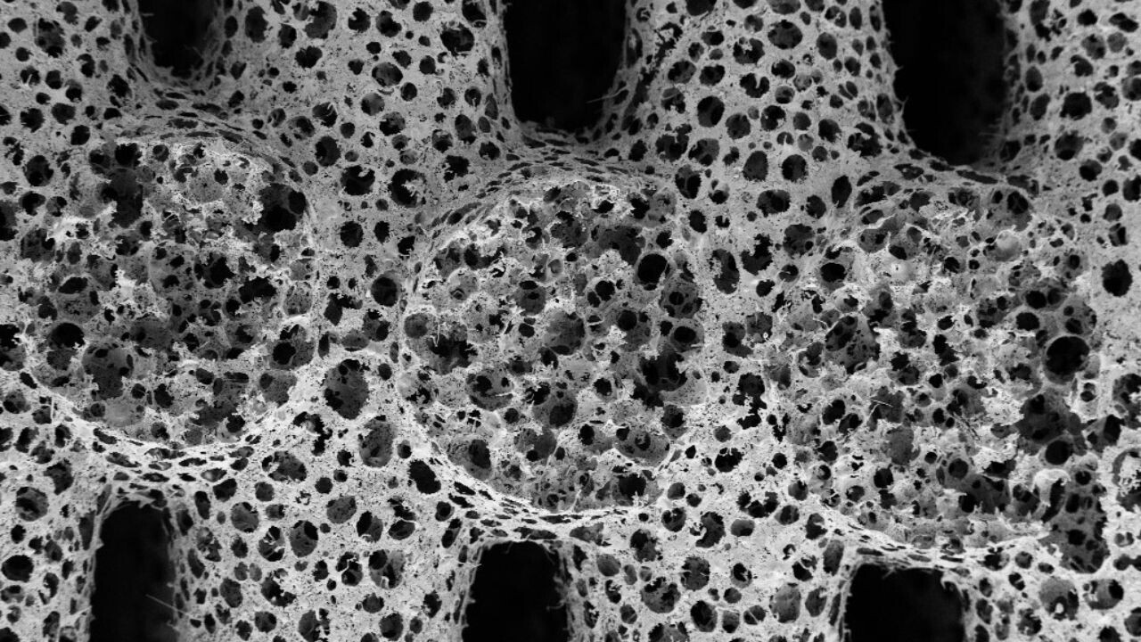
A new type of metal foam cooling
Julia Carpenter and Gaëlle Andreatta spun out the startup from ETH Zurich in Switzerland just a year ago. The young company develops cooling solutions using a new type of metal foam technology.

Apheros manufactures metal foam structures that promise low density, open porosity, and a surface area that’s 1,000 times greater than existing alternatives. These characteristics translate to increased heat transfer and flow properties.
The startup’s foams are also material agnostic, meaning that they can be tailored to various metals including copper, iron, and stainless steel.
While the technology has a wide range of applications, Apheros is currently focusing on liquid cooling solutions, which among other uses, can cool down chips in data centres.
The process works as follows. As the foam encases the chips, it expands their surface area. This enables heat to move faster, and then be dissipated by the data centre’s own cooling system.
“Dire” need for better cooling systems
According to Andreatta, who’s also serving as Aphero’s CTO, the need for improved cooling solutions is “dire.”
“AI development is driving exponential growth in data center energy consumption and inefficient cooling is the main culprit,” she said.
With the fresh funding, the startup plans to accelerate development of its metal foam products and move towards commercial deployment. Switzerland-based VC firm Founderful led the pre-seed round.
Get the TNW newsletter
Get the most important tech news in your inbox each week.